汇金阀门:专业的调节阀生产厂家。

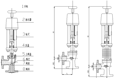
| ZDSJ系列电子式直行程电动角型调节阀,配用德国进口PS系列直行程电动执行机构,实现对压力、流量、温度、液位等参数的调节。具有体积小、重量轻、泄漏量少、流路简单、阻力小,使用于高压差、高粘度、含有悬浮物和颗粒状物质液体的调节,可以避免结焦,堵塞,也便于自洁和水清洗,角型阀一般使用于底进侧出的场合,因为这样可使调节有较好的稳定性。 |
| 形式:角型单座铸造阀 公称通径:20-300mm 公称形式:PN1.6 4.0 6.4Mpa 连接形式:法兰式按JB78-59 JB79-59 材料:HT200 ZG230—450 ZG1Cr18Ni9Ti ZG0Cr18Ni12Mo2Ti |
![]() |
| 阀芯形式:上导向单座柱塞式阀芯 流量特性:等百分比特性,直线特性和快开特性 材 料:1Cr18Ni9Ti 0Cr18Ni12M02Ti |
![]() |
|
公称通径DN
|
20
|
25
|
32
|
40
|
50
|
65
|
80
|
100
|
125
|
150
|
200
|
250
|
300
|
|
|
阀座直径dn(mm)
|
20
|
25
|
32
|
40
|
50
|
65
|
80
|
100
|
125
|
150
|
200
|
250
|
300
|
|
|
额定流量系数Kv
|
6.5
|
10
|
16
|
25
|
40
|
63
|
100
|
160
|
250
|
400
|
630
|
|
|
|
|
行程mm
|
10
|
16
|
25
|
40
|
60
|
100
|
100
|
|||||||
|
允许压差ΔMPa
|
6.1
|
3.8
|
2.3
|
1.4
|
1.0
|
2.3
|
1.6
|
1.0
|
0.8
|
0.6
|
0.4
|
|
|
|
|
基本误差%
|
±2.5
|
|||||||||||||
|
回差%
|
2.5
|
|||||||||||||
|
死区%
|
1.0
|
|||||||||||||
|
始终点偏差%
|
±2.5
|
|||||||||||||
|
额定行程偏差%
|
2.5
|
|||||||||||||
|
允许泄漏量Q
|
Kv值的0.1%
|
|||||||||||||
|
可调范围
|
30:1
|
|||||||||||||
|
配电动气动疏水阀型号
|
PSL
|
PSL201
|
PSL202
|
PSL204
|
PSL208
|
PSL312
|
PSL320
|
|||||||
|
3810L
|
SA-08
|
381LSA-30
|
381LSB-30
|
381LSB-50
|
381LSC-65
|
381LSC-160
|
||||||||
|
公称压力 介质温度阀 体材料 |
1.6MPa
|
常温-20℃~+200℃ 铸铁HT200
|
||||||||||||
|
4.0MPa
|
常温-20℃~+200℃ 铸钢ZG25 铸不锈钢ZG1Cr18Ni9Ti
|
|||||||||||||
|
中温-40℃~+450℃ 铸钢ZG25 铸不锈钢ZG1Cr18Ni9Ti
|
||||||||||||||
|
6.4MPa
|
常温-20℃~+200℃ 铸钢ZG25 铸不锈钢ZG1Cr18Ni9Ti
|
|||||||||||||
|
中温-40℃~+450℃ 铸钢ZG25 铸不锈钢ZG1Cr18Ni9Ti
|
||||||||||||||
|
阀体材料
|
公称
压力 MPa |
介质工作温度℃
|
|||||||||||||
|
〈
|
〈
|
〈
|
〈
|
〈
|
〈
|
〈
|
〈
|
〈
|
〈
|
〈
|
〈
|
〈
|
〈
|
||
|
120
|
200
|
250
|
300
|
350
|
400
|
425
|
450
|
475
|
500
|
525
|
550
|
575
|
600
|
||
|
最大工作压力MPa
|
|||||||||||||||
|
铸铁HT200
|
1.6
|
1.6
|
1.5
|
|
|
|
|
|
|
|
|
|
|
|
|
|
铸钢ZG25
|
4.0 6.4 |
|
4.0 6.4 |
3.7 5.9 |
3.3 5.2 |
3.0 4.7 |
2.8 4.1 |
2.3 3.7 |
1.8 2.9 |
|
|
|
|
|
|
|
铸不锈钢ZG1Cr18Ni9Ti
|
4.0 6.4 |
|
|
|
|
4.0 6.4 |
3.0 4.4 |
2.7 4.2 |
2.4 4.0 |
2.1 3.8 |
1.9 3.5 |
1.7 3.4 |
1.4 3.2 |
1.1 2.9 |
0.8 2.6 |

|
公称通径DN(mm)
|
L(mm)
|
H1mm
|
H(mm)
|
Rmm
|
重量(kg)
|
|
|
PN(MPa)
|
常温
|
中温
|
PN1.6 MPa
|
|||
|
1.6
|
||||||
|
20
|
100
|
100
|
740
|
870
|
176
|
15.5
|
|
25
|
115
|
115
|
740
|
870
|
176
|
25
|
|
32
|
130
|
130
|
785
|
915
|
176
|
27.5
|
|
40
|
130
|
130
|
770
|
900
|
176
|
28.5
|
|
50
|
150
|
150
|
785
|
920
|
176
|
32.5
|
|
65
|
170
|
170
|
915
|
1080
|
225
|
59
|
|
80
|
190
|
190
|
975
|
1140
|
225
|
59
|
|
100
|
215
|
215
|
1035
|
1200
|
225
|
87
|
|
125
|
250
|
250
|
1145
|
1285
|
225
|
133
|
|
150
|
275
|
275
|
1200
|
1340
|
225
|
171
|
|
200
|
325
|
325
|
1255
|
1400
|
225
|
269
|
|
Z
|
D
|
S
|
JP
|
16
|
C
|
G
|
|
自控阀门
|
执行机构类型
|
位移特征:
|
阀门结构形式:
|
公称压力:
|
阀体材质:
|
温度类型:
|
|
|
D:表示PS系列
|
S:表示直行程
|
J:表示角形阀
|
16:表示1.6MPa
|
C:表示碳钢
|
G:表示中温型常温省略
|
|
|
R:表示3810系列
|
|
P:表示单座
|
40:表示4.0MPa
|
P:表示不锈钢铸铁省略
|
|
|
|
H:表示DKZ系列
|
|
|
64:表示6.4MPa
|
|
|
|
|
C:表示ZAZ系列
|
|
|
|
|
|
九、定货须知